
190 Strand


Task
Site has been acquired and installation has been done by a 3rd party main contractor but they were not been able to commission the system (access control, intercom).
Smart Britannia has been recommended by manufacturer (URMET) as trusted and recommended contractor to be appointed to fully commission newly installed URMET IPervoice system.


Solution
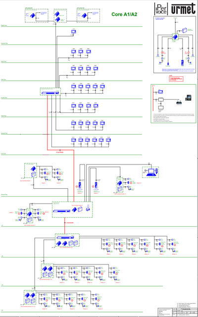
URMET
Various
IP
System:
Locking system:
System type:





Project info
6
200
2
12
1
Blocks
Apartments
Vehicle lifts
Passenger lifts
Bi-fold vehicle gate
Site
Time scale
5 Weeks

Result
After a very hard and methodical work all pieces have been put together.
All network devices have been identified, allocated to specific place in the project.
Missing communications established, faulty hardware determined and replaced partial network has been re-tested and re-sertified.
Life tests have been performed on all entrance panels and internal door stations (were we had access to).
Access control has been fully overhauled and appropriate access levels and time tables have been created, all staff has been demoed the system.
System has been signed off and handed over to main contractor fully functioning.



Result
After a very hard and methodical work all pieces have been put together.
All network devices have been identified, allocated to specific place in the project.
Missing communications established, faulty hardware determined and replaced partial network has been re-tested and re-sertified.
Life tests have been performed on all entrance panels and internal door stations (were we had access to).
Access control has been fully overhauled and appropriate access levels and time tables have been created, all staff has been demoed the system.
System has been signed off and handed over to main contractor fully functioning.

Task
Site has been acquired and installation has been done by a 3rd party main contractor but they were not been able to commission the system (access control, intercom).
Smart Britannia has been recommended by manufacturer (URMET) as trusted and recommended contractor to be appointed to fully commission newly installed URMET IPervoice system.












